|
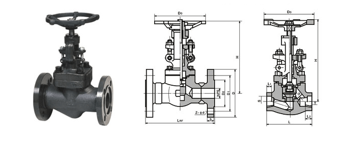
公稱通(tong)經DN
|
主要外(wai)形尺寸和(he)連接尺寸(cun)(mm)
|
WT
(kg)
|
|
L
|
D
|
S
|
L1
|
T
|
L2
|
H
|
DO
|
|
J41H-16 J41H-25 J41H-40 J11H-16C J11H-25 J11H-40 J61H-16C J61H-25 J61H-40
|
|
15
|
90
|
13
|
22.5
|
10
|
1/2
|
15
|
159
|
98
|
6.9
|
|
20
|
100
|
18
|
28.5
|
11
|
3/4
|
17
|
190
|
112
|
9.8
|
|
25
|
120
|
23
|
34.5
|
12
|
1
|
19
|
208
|
126
|
13.5
|
|
32
|
140
|
29
|
43
|
14
|
1 1/4
|
21
|
216
|
166
|
19.5
|
|
40
|
170
|
36
|
49
|
15
|
1 1/2
|
21
|
247
|
188
|
28.5
|
|
50
|
200
|
46
|
61
|
16
|
2
|
25
|
290
|
220
|
30.3
|
|
J41H-64 J11H-64 J61H-64
|
|
15
|
90
|
13
|
22.5
|
10
|
1/2
|
15
|
159
|
98
|
7.7
|
|
20
|
100
|
18
|
28.5
|
11
|
3/4
|
17
|
190
|
112
|
11.3
|
|
25
|
120
|
23
|
34.5
|
12
|
1
|
19
|
208
|
126
|
16.8
|
|
32
|
140
|
29
|
43
|
14
|
1 1/4
|
21
|
216
|
166
|
21.2
|
|
40
|
170
|
36
|
49
|
15
|
1 1/2
|
21
|
258
|
188
|
32.6
|
|
50
|
210
|
46
|
61
|
16
|
2
|
25
|
405
|
220
|
35
|
文(wen)章分頁:
1
|