亚洲熟妇AV乱码在线观看 ZSHW型氣動蝶閥-南京騰州閥門有限公司
·
· ·
 
·
·
·
·
·
     防(fang)爆氣動(dong)快速切(qie)斷閥
     盲(mang)闆閥(眼(yan)睛閥)
     蝶(die)閥系列(lie)
     截止閥(fa)系列
     球(qiu)閥系列(lie)
     閘閥系(xi)列
     止回(hui)閥系列(lie)
     過濾器(qi)系列
     調(diao)節閥系(xi)列
     安全(quan)閥系列(lie)
     水力控(kong)制閥系(xi)列
     減壓(ya)閥系列(lie)
     電動二(er)通閥系(xi)列
     柱塞(sai)閥系列(lie)
     電子除(chu)垢儀
     執(zhi)行機構(gou)
     其它閥(fa)系列
南(nan)京騰州(zhou)閥👩‍🍼亚洲熟妇AV乱码在线观看😘門有(you)限公司(si)
陳建州(zhou) 經理 工(gong)程師
地(di)址:南京(jing)市秦淮(huai)區升州(zhou)路385号 
郵(you)編:210036 
 郵箱(xiang):
電話:025—
手(shou)機: 
 
産品(pin)展示
當(dang)前位置(zhi):首頁 ->蝶(die)閥系列(lie)
ZSHW型氣動(dong)蝶閥
發(fa)表時間(jian):2011-5-25  文字 〖 大(da) 〗  閱(yue)讀次數(shu):5093   [關閉窗(chuang)口]

三偏(pian)心結構(gou):閥杆軸(zhou)線與蝶(die)闆密封(feng)面間偏(pian)置一個(ge)尺寸A,并(bing)與閥體(ti)通道軸(zhou)線偏置(zhi)一個尺(chi)寸B,閥座(zuo)回轉軸(zhou)線🙂‍↕️與閥(fa)體通道(dao)軸線形(xing)成一個(ge)偏心角(jiao)α,故形成(cheng)三偏心(xin)。蝶閥從(cong)0°~90°開啓時(shi),蝶🏊🏿‍♀️闆密(mi)封面會(hui)在開啓(qi)的瞬間(jian)😗立即脫(tuo)離閥座(zuo)密封面(mian),在其90°~0°關(guan)閉時,隻(zhi)有⛹🏻‍♀️在關(guan)閉的瞬(shun)間,其蝶(die)闆💘圓錐(zhui)形密封(feng)面才會(hui)接觸并(bing)壓緊閥(fa)座圓錐(zhui)形密封(feng)🤶🏾。所以閥(fa)座與蝶(die)闆上的(de)密封面(mian)之👺間無(wu)任何摩(mo)擦,去除(chu)了磨損(sun)和洩漏(lou)的可能(neng)性。
      扭矩(ju)密封:三(san)偏心的(de)結構使(shi)蝶閥關(guan)閉時,其(qi)密封副(fu)兩🛀🏼密封(feng)面之🏊🏿‍♀️間(jian)的密封(feng)比壓由(you)外加于(yu)閥杆的(de)驅動力(li)矩産生(sheng)。不僅消(xiao)除🏃🏻‍♀️了常(chang)規彈性(xing)閥座彈(dan)性材料(liao)老👱🏼‍♂️化、冷(leng)流👯🏾‍♂️、彈性(xing)失效等(deng)因素造(zao)成的密(mi)封比壓(ya)降低和(he)😍消失,而(er)且可以(yi)通過外(wai)加驅動(dong)👹力矩的(de)改變,實(shi)現對其(qi)密封比(bi)壓的任(ren)意調整(zheng)🙆🏿,從而使(shi)三偏心(xin)蝶閥的(de)密💁🏼‍♀️封性(xing)能改善(shan),蝶閥的(de)使用壽(shou)命也大(da)大提高(gao)。
      軟硬層(ceng)疊式金(jin)屬密封(feng)結構:蝶(die)闆密封(feng)圈采用(yong)軟硬👽層(ceng)疊式不(bu)🔞鏽鋼片(pian)和柔性(xing)石墨闆(pan)的密封(feng)面,使其(qi)具有金(jin)屬硬密(mi)封和彈(dan)性密封(feng)的雙重(zhong)優點,無(wu)論在低(di)溫和高(gao)溫工況(kuang)下均具(ju)有優良(liang)👼🏾的密封(feng)性能。
      雙(shuang)向密封(feng):因密封(feng)面錐角(jiao)小于密(mi)封材料(liao)的磨擦(ca)角🙈,蝶闆(pan)關到密(mi)封位置(zhi)時立即(ji)實現自(zi)鎖,并能(neng)承受一(yi)定的反(fan)向壓力(li)🎅🏿沖擊。
      防(fang)火結構(gou):全金屬(shu)結構本(ben)身具有(you)火災安(an)全的特(te)性。
     
閥體(ti)密封面(mian):采用堆(dui)焊硬質(zhi)合金或(huo)不鏽鋼(gang),使得密(mi)封面強(qiang)度高、硬(ying)度好、耐(nai)磨損,可(ke)連續啓(qi)閉60000次以(yi)上而😝無(wu)損傷。
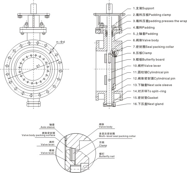
      密(mi)封圈:密(mi)封圈由(you)壓闆夾(jia)在蝶闆(pan)上,易于(yu)安裝、調(diao)節和更(geng)換🛌🏻。
      閥杆(gan)的上、下(xia)部位裝(zhuang)有軸套(tao),防止磨(mo)損和粘(zhan)連,提高(gao)了👱🏼‍♂️使用(yong)壽命。 
      該(gai)産品操(cao)作靈活(huo)、省力、方(fang)便、可靠(kao),連接方(fang)式有法(fa)蘭👼🏾、對夾(jia)、對焊、凸(tu)♌️耳對夾(jia)。既可截(jie)斷介質(zhi),也可任(ren)意調節(jie)介質流(liu)量。

密封(feng)副原理(li)  
      蝶闆的(de)回轉中(zhong)心(即閥(fa)杆的中(zhong)心)與蝶(die)闆密封(feng)截面偏(pian)置✋一個(ge)尺寸α,并(bing)與閥體(ti)通道軸(zhou)線偏置(zhi)一個尺(chi)寸β,閥座(zuo)回轉軸(zhou)線與閥(fa)體通道(dao)軸線形(xing)成一

由(you)于在雙(shuang)偏心密(mi)封蝶閥(fa)的基礎(chu)上,将閥(fa)座回轉(zhuan)軸線與(yu)閥👧🏾體通(tong)道軸線(xian)形成一(yi)個δ角。其(qi)偏心結(jie)果由圖(tu)B的A-A剖視(shi)圖可見(jian),當三偏(pian)心密封(feng)蝶 閥完(wan)全處于(yu)開啓狀(zhuang)态時,其(qi)蝶闆密(mi)封面會(hui)完全脫(tuo)😈離閥座(zuo)密封面(mian)并在蝶(die)闆密封(feng)面與閥(fa)體密封(feng)面之間(jian)形成一(yi)個間🏃🏿‍♀️‍➡️隙(xi)γ。由圖C可(ke)見,由于(yu)δ角偏置(zhi)的 形成(cheng)會使長(zhang)、短半徑(jing)轉動的(de)蝶闆大(da)、小半圓(yuan)粘,蝶闆(pan)⛹🏻‍♀️密封👺轉(zhuan)動軌迹(ji)的切線(xian)與閥座(zuo)密封面(mian)形成一(yi)個θ1角和(he)θ2角。使蝶(die)閥啓閉(bi)時蝶闆(pan)密封面(mian)漸出 脫(tuo)離和漸(jian)入壓緊(jin)。從而徹(che)底消除(chu)了蝶閥(fa)啓閉時(shi)間💕蝶閥(fa)兩密💘封(feng)面之間(jian)的機械(xie)磨損和(he)擦傷。
      本(ben)系列蝶(die)閥從0°~90°開(kai)啓時,蝶(die)闆的密(mi)封面會(hui)在開啓(qi)的瞬間(jian)立即脫(tuo)離閥座(zuo)密封面(mian),在其90°~0°關(guan)閉時的(de)瞬間,其(qi)蝶闆☠️密(mi)封🙈面才(cai)會接💞觸(chu)并 壓緊(jin)閥座密(mi)封面。由(you)圖C可見(jian),由于θ1角(jiao)和θ2角的(de)形成,使(shi)💌蝶閥😈關(guan)閉時,其(qi)密封副(fu)兩密封(feng)面之間(jian)的密封(feng)比壓,由(you)外加于(yu)閥杆的(de)驅動力(li)矩産生(sheng)。 不僅消(xiao)除了常(chang)規偏心(xin)蝶閥中(zhong)因彈性(xing)閥座彈(dan)性材🧜🏼‍♀️料(liao)老化、冷(leng)流⛹🏻‍♂️、彈性(xing)失效等(deng)因素造(zao)成的密(mi)封比壓(ya)降低和(he)消失,而(er)且可以(yi)通過外(wai)加驅動(dong)力矩的(de)改變, 實(shi)現對其(qi)密封比(bi)壓的任(ren)意調整(zheng),從而使(shi)三偏心(xin)密封蝶(die)閥的密(mi)封性能(neng)改善,使(shi)使用壽(shou)命大大(da)提高。

■閥(fa)體材料(liao)    碳鋼 (WCB、WCC、LCB)   鉻(ge)钼鋼 (WC5、WC6、WC9)     合(he)金鋼
                   不(bu)鏽鋼 (CF3、CF8、CF3M、CF8M、ZG1Cr18Ni9Ti、ZG1Cr18Ni12Mo2Ti)     
■内(nei)件材料(liao)    不鏽鋼(gang) (1Cr13、2Cr13、1Cr18Ni9、1Cr18Ni9Ti、1Cr18Ni12Mo2Ti、304、316、304L、
                   316L)   碳鋼    鉻(ge)钼鋼    特(te)殊鋼  
■連(lian)接形式(shi)    法蘭、對(dui)夾、對焊(han)、凸耳對(dui)夾
■驅動(dong)方式    電(dian)動、 氣動(dong)、液動、電(dian)液聯動(dong)等

主要(yao)外形和(he)連接連(lian)接尺寸(cun)(對夾式(shi))


文章分(fen)頁: 1 
版(ban)權所有(you):南京騰(teng)州閥門(men)有限公(gong)司    産品(pin)技術支(zhi)持:精嘉(jia)閥門♌️集(ji)團有限(xian)公司          網(wang)站技術(shu)支持:yukamito.cc 京(jing)ICP證000000号
 
·
·
 
 
·