|
氣動(dong)薄膜調(diao)節閥
|
|
發(fa)表時間(jian):2011-5-26 文字 〖 大(da)
中
小
〗 閱(yue)讀次數(shu):5189 [關閉窗(chuang)口]
|
|
|
|
|
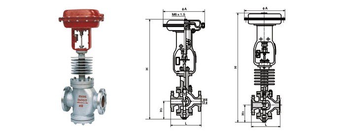
公稱(cheng)通徑DN
|
L
|
ZMAP型(xing)
Type
|
ZMAP型
Type
|
ØA
|
輸出(chu)壓力
|
額(e)定流量(liang)系數C
|
|
單(dan)座
|
雙座(zuo)
|
PN1.6
(MPa)
|
PN6.4
(MPa)
|
H
|
H1
|
H
|
H
1
|
0.2
|
0.4
|
0.2
|
0.4
|
單座
|
雙(shuang)座
|
|
常溫(wen)型
|
散熱(re)型
|
常溫(wen)型
|
散熱(re)型
|
允許(xu)壓蓋
|
允(yun)許壓蓋(gai)
|
|
20
|
180
|
190
|
654
|
799
|
93
|
-
|
-
|
-
|
280
|
13
|
27
|
-
|
-
|
1.2-5
|
-
|
|
25
|
185
|
205
|
669
|
725
|
110
|
679
|
785
|
117
|
8
|
16
|
54
|
64
|
8
|
10
|
|
32
|
200
|
220
|
680
|
786
|
120
|
684
|
790
|
120
|
5
|
11
|
44
|
64
|
12
|
16
|
|
40
|
220
|
240
|
754
|
854
|
130
|
774
|
874
|
138
|
325
|
5
|
10
|
46
|
64
|
20
|
25
|
|
50
|
250
|
265
|
785
|
885
|
145
|
785
|
885
|
144
|
3
|
6
|
38
|
64
|
32
|
40
|
|
65
|
275
|
295
|
991
|
1138
|
180
|
1011
|
1158
|
188
|
410
|
3
|
6
|
47
|
64
|
50
|
63
|
|
80
|
305
|
325
|
1008
|
1162
|
190
|
1042
|
1196
|
208
|
2
|
4
|
36
|
64
|
80
|
100
|
|
100
|
350
|
370
|
1015
|
1169
|
195
|
1065
|
1210
|
220
|
1.2
|
2.4
|
28
|
56
|
120
|
160
|
|
125
|
410
|
440
|
1268
|
1461
|
240
|
1318
|
1501
|
267
|
495
|
1.2
|
2.4
|
37.5
|
64
|
200
|
250
|
|
150
|
450
|
475
|
1286
|
1469
|
250
|
1340
|
1523
|
278
|
0.8
|
1.6
|
27
|
54
|
280
|
400
|
|
200
|
550
|
570
|
1363
|
1546
|
290
|
1423
|
1660
|
320
|
0.8
|
1
|
21.5
|
43
|
450
|
630
|
特點:
-
單(dan)座調節(jie)閥:具有(you)易密封(feng),洩露量(liang)少的特(te)點,但不(bu)平衡力(li)較大,故(gu)工作壓(ya)差不宜(yi)過高。
-
雙(shuang)座調節(jie)閥:具有(you)額定流(liu)量系數(shu)大,不平(ping)衡力小(xiao)等優點(dian),因而被(bei)😍廣泛應(ying)用。
文章(zhang)分頁:
1
|
|
|
|
|