|
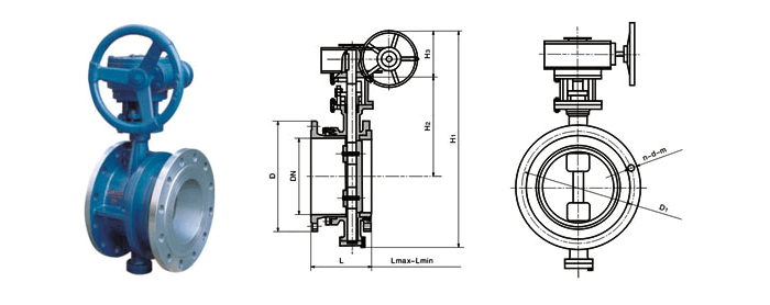
公(gong)稱通(tong)經DN
|
外(wai)形尺(chi)寸(參(can)考值(zhi))
|
連接(jie)尺寸(cun)(标準(zhun)值)
|
|
H
|
H1
|
設(she)計最(zui)
大長(zhang)度
|
設(she)計最(zui)
小長(zhang)度
|
設(she)計長(zhang)度L
|
A
|
B
|
0.6MPa
|
1.0MPa
|
1.6MPa
|
毫(hao)米
mm
|
英(ying)寸
inch
|
D
|
D1
|
D2
|
N-D
|
D
|
D1
|
D2
|
N-D
|
D
|
D1
|
D2
|
N-D
|
|
50
|
2
|
80
|
309
|
164
|
138
|
151
|
180
|
200
|
140
|
110
|
88
|
4-14
|
165
|
125
|
99
|
4-18
|
165
|
125
|
99
|
4-18
|
|
65
|
2
1/2
|
95
|
337
|
190
|
154
|
172
|
180
|
200
|
160
|
130
|
108
|
4-14
|
185
|
145
|
118
|
4-18
|
185
|
145
|
118
|
4-18
|
|
80
|
3
|
98
|
347
|
195
|
163
|
177
|
180
|
200
|
190
|
150
|
124
|
4-18
|
200
|
160
|
132
|
8-18
|
200
|
160
|
132
|
8-18
|
|
100
|
4
|
114
|
373
|
227
|
184
|
206
|
180
|
200
|
210
|
170
|
144
|
4-18
|
220
|
180
|
156
|
8-18
|
220
|
180
|
156
|
8-18
|
|
125
|
5
|
128
|
405
|
254
|
201
|
215
|
180
|
200
|
240
|
200
|
174
|
8-18
|
250
|
210
|
184
|
8-18
|
250
|
210
|
184
|
8-18
|
|
150
|
6
|
139
|
440
|
240
|
195
|
225
|
270
|
280
|
265
|
225
|
199
|
8-18
|
285
|
240
|
211
|
8-22
|
285
|
240
|
211
|
8-22
|
|
200
|
8
|
174
|
612
|
265
|
215
|
245
|
400
|
425
|
320
|
280
|
254
|
8-18
|
340
|
295
|
266
|
8-22
|
340
|
295
|
266
|
11-22
|
|
250
|
10
|
215
|
693
|
295
|
235
|
265
|
400
|
425
|
375
|
335
|
309
|
11-22
|
395
|
350
|
319
|
11-22
|
405
|
355
|
319
|
11-22
|
|
300
|
12
|
245
|
747
|
308
|
254
|
282
|
450
|
560
|
440
|
395
|
363
|
11-22
|
445
|
400
|
370
|
11-22
|
460
|
410
|
370
|
11-22
|
|
350
|
14
|
270
|
802
|
325
|
271
|
300
|
450
|
560
|
490
|
445
|
413
|
11-22
|
505
|
460
|
429
|
16-22
|
520
|
470
|
429
|
16-26
|
|
400
|
16
|
305
|
991
|
345
|
283
|
314
|
535
|
580
|
540
|
495
|
463
|
16-22
|
565
|
515
|
480
|
16-26
|
580
|
525
|
480
|
16-30
|
|
450
|
18
|
325
|
1037
|
370
|
314
|
340
|
535
|
580
|
595
|
550
|
518
|
16-22
|
615
|
565
|
530
|
20-26
|
640
|
585
|
548
|
20-30
|
|
500
|
20
|
360
|
1127
|
377
|
316
|
346
|
535
|
580
|
645
|
600
|
568
|
20-22
|
670
|
620
|
582
|
20-26
|
715
|
650
|
609
|
20-33
|
|
600
|
24
|
445
|
1377
|
446
|
388
|
417
|
570
|
660
|
755
|
705
|
667
|
20-26
|
780
|
725
|
682
|
20-30
|
840
|
770
|
720
|
20-36
|
|
700
|
28
|
505
|
1496
|
445
|
395
|
425
|
750
|
550
|
860
|
810
|
772
|
24-26
|
895
|
840
|
794
|
24-30
|
910
|
840
|
794
|
24-36
|
|
800
|
32
|
560
|
1584
|
479
|
425
|
455
|
750
|
550
|
975
|
920
|
878
|
24-30
|
1015
|
950
|
901
|
24-33
|
1025
|
950
|
901
|
24-39
|
|
900
|
36
|
630
|
1676
|
515
|
455
|
485
|
750
|
550
|
1075
|
1020
|
978
|
24-30
|
1115
|
1050
|
1001
|
28-33
|
1125
|
1050
|
1001
|
28-39
|
|
1000
|
40
|
680
|
1760
|
525
|
465
|
495
|
900
|
750
|
1175
|
1120
|
1078
|
28-30
|
1230
|
1160
|
1112
|
28-36
|
1255
|
1170
|
1112
|
28-42
|
|
1200
|
48
|
795
|
2018
|
574
|
512
|
542
|
1000
|
925
|
1405
|
1340
|
1295
|
32-33
|
1455
|
1380
|
1328
|
32-39
|
1485
|
1390
|
1328
|
32-48
|
文(wen)章分(fen)頁:
1
|